Released date 2010/09/21 Revised date 2026/04/14
Category Buzzer & Alarm
Model TCZ220
Name Electric type Siren
Specification
TCZ-220
Voltage: DC 12V, 24V, AC 110V, 220V.
Decibel: 100
Duration: Over 1 hour.
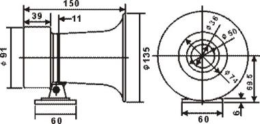
Dimensions

Related products
CBZ10 CBZ10DC CBZ20 CBZ20DC CBZ30 CBZ40 TCZ220 TCZ230